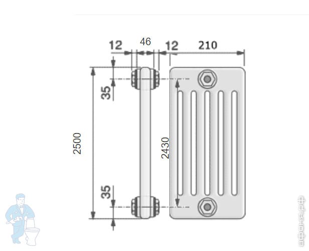
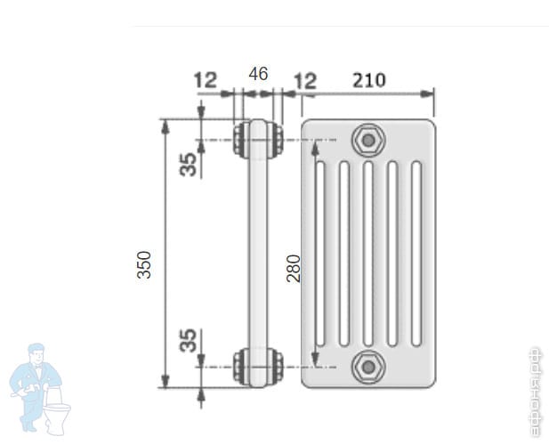
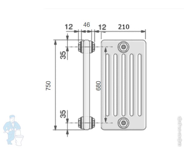
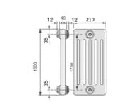
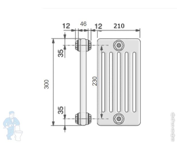
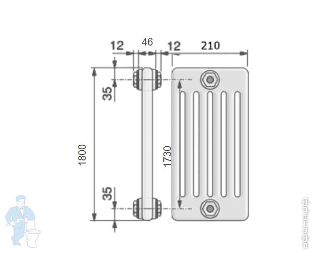
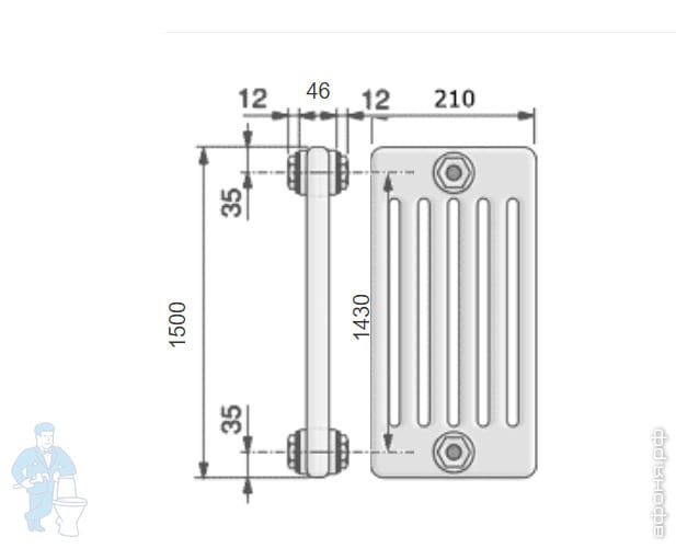
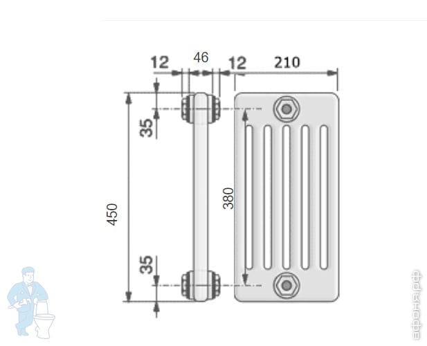
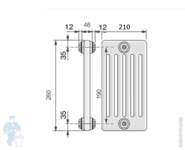
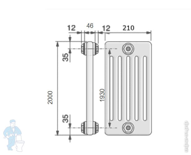
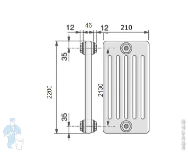
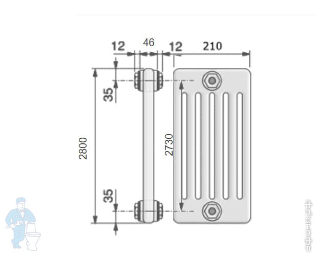
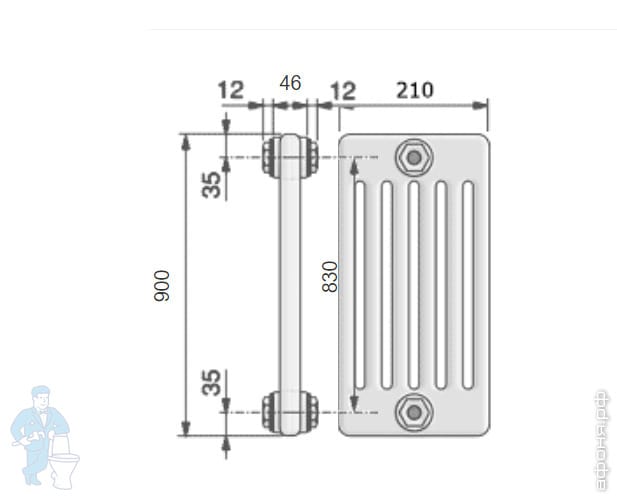
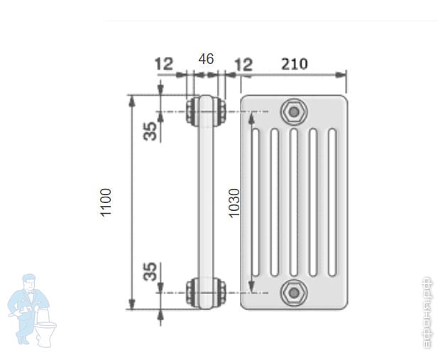
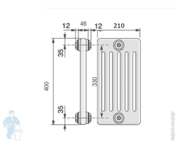
Радиаторы шеститрубчатые Zehnder Charleston (глубина 210мм)
Задаетесь вопросом возможности установки радиаторов Zehnder Charleston в системах отопления многоквартирных домов городского типа?
“НИИ Сантехники” подтверждает возможность их установки:
“Уважаемые дамы и господа! В связи с участившимися запросами о возможности установки радиаторов Zehnder Charleston в городских квартирах, позвольте проинформировать Вас, что подавляющее большинство современных многоквартирных домов имеет независимую систему отопления или подключено к городской тепловой сети, где нормативное содержание кислорода не превышает максимального значения, пригодного для стальных радиаторов, а именно 20 мкг/дм3 . Согласно рекомендациям «НИИ Сантехники», ООО «Витатерм» по применению стальных секционных трубчатых радиаторов «Zehnder Charleston» и «Zehnder Charleston Completto», радиаторы Zehnder Charleston можно применять в многоквартирных домах с независимой системой отопления с закрытыми расширительными баками и устройствами подпитки деаэрированной водой из водопровода или тепловой сети. Решающее значение в выборе отопительного прибора должно иметь заключение эксплуатирующей организации. Именно она должна сообщить жильцу, какого типа система в его доме, а также параметры рабочего давления и температуры теплоносителя.”
-
Выбрать магазин ❯
- Очистить
-
Радиатор Zehnder Charleston 6110 шеститрубчатый ВГ:1100х210, межценр.1034,боков. подкл. 3/4", 249 ВтКод: 39652
Описание ❯
Характеристики ❯
-
Межцентровое расстояние, мм: 1034
- 1034
- 1134
- 834
- 934
- 194
- 2934
- 434
- 2434
- 2734
- 234
- 334
- 484
- 534
- 684
- 1734
- 284
- 384
- 1434
- 1934
- 2134
-
Мощность, Вт: 249
- 249
- 264
- 210
- 230
- 68
- 618
- 125
- 518
- 577
- 77
- 102
- 136
- 147
- 180
- 381
- 89
- 113
- 322
- 420
- 459
-
Объем, л: 3
- 3
- 3,2
- 2,5
- 2,7
- 1
- 7,5
- 1,5
- 6,3
- 7
- 1,1
- 1,3
- 1,8
- 2,1
- 4,7
- 1,2
- 1,4
- 4
- 5,2
- 5,6
- Не указано
Показать все варианты 20 товаровДоступен для ЗАКАЗА (срок поставки 1-10 рабочих дней, уточняет оператор)Розничная цена:7 488 р./шт.Цена по карте:7 488 р./шт.Скидка по карте:0 р./шт.Цена сегодня:7 488 р./шт.Узнать цену поПРОМОКОДУVIP-картеЦена по VIP-карте:6 739 р./шт.+199 р. за VIP-карту
-
Каталог товаров ❯
Контакты магазинов ❯
Отдел плитки
Отдел инженерии
Отдел плитки
Отдел инженерной сантехники
Отдел инженерной сантехники
Отдел плитки
ТРК "Дунай"
Железноводская ул., 3 / Уральская ул., 10/2
ТЦ "Василеостровский"
1 этаж, секция 87а
1 этаж, секция 105
Бесплатная парковка для покупателей по звонку
1 этаж, прикассовая зона гипермаркета О’КЕЙ
НОВЫЙ МАГАЗИН!
Распродажа товаров с выставки со скидками до 70%
В связи с переездом магазина.
Воскресенье — выходной
Компенсируем затраты на паркинг
и поможем с его оформлением
*При покупке от 3000р.
Отдел интерьерных материалов
Отдел плитки
ТРК "Вояж", вход 4
Отдел плитки
Отдел инженерной сантехники
Ленинградская область, Всеволожский муниципальный район, Бугровское сельское поселение, Бугровская улица, ул. 23 км КАД (внутреннее кольцо), стр. 3, Складской Комплекс RAUM Бугры, склад А3, ворота 26, 27, 28, 29, 30
Отдел логистики
самовывоз с 9:00 до 2:00
пр. Московский 183-185
Оптовый отдел
При наличии VIP-карты Вы экономите 2 599р.
Например, при покупке ванны цена по VIP-карте составит 23 391 р. вместо 25 990 р. Скидка по VIP-карте составляет 2 599 р. При стоимости VIP-карты в 770 р. 199 р. Ваша скидка получается 1 899 р. с первой покупки!
Все остальные заказы Вы уже сможете делать с максимально возможной скидкой, Вам просто нужно будет указывать номер Вашей карты в комментариях к заказу, либо быть авторизованным на сайте.
На сайте на большинство товаров уже указаны цены по VIP-карте, а если её нет, Вы можете обратиться к нашим менеджерам. Они подскажут, какие цены Вы сможете получить благодаря VIP-карте.
Вам больше не нужно обходить все окрестные магазины и просматривать десяток сайтов в интернете, потому что мы сделали это за Вас. Наши маркетологи регулярно мониторят всех возможных конкурентов, имея много магазинов и большой оборот, наши закупщики получают минимальные цены на товар от производителей. С каждой последующей покупки Вы получите ощутимую выгоду. Карта оформляется только на физическое лицо.
Помогите нам стать лучше Отправьте отзыв, жалобу
или предложение в
Отдел контроля качества.







Афоня — ваш